YVF2 series induction motor can be power supplied by transducer, it is a typical application in motor energysaving industry, using special insulation system, makes it applying to the power supply systemby transducerGenerally rated voltage is 380v, frequency is 50Hz, delivering constant torque in 5~50Hzdelivering constantpower in 50~100Hz, or also can be customized the rated voltage and frequency,protection grade is lP55cooling type: IC416, mounting type fits the standard of lEc and DIN.
Sample Product Model
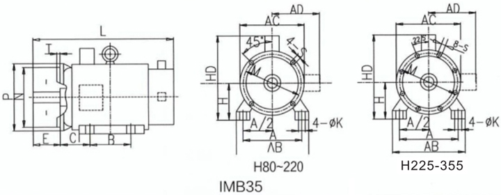
YVF2 Series Motor Mounting and Overall Dimensions




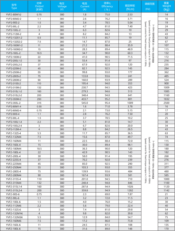
Technical Date


Mounting arrangement

Connection diagram

Degrees of Protectior

